应急照明及疏散指示系统

转载。

消防应急照明和疏散指示系统是一种辅助人员安全疏散和消防作业的消防系统,其主要功能是在火灾等紧急情况下,为人员安全疏散和灭火救援行动提供必要的照度条件和正确的疏散指示信息。下面我们一起来学习一下消防应急照明和疏散指示系统的相关内容。

一、系统分类
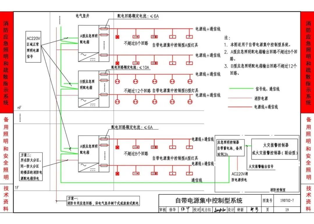
1. 集中控制型系统,是指系统设置应急照明控制器,由应急照明控制器集中控制并显示应急照明集中电源或应急照明配电箱及其配接的消防应急灯具工作状态的消防应急照明和疏散指示系统。
2. 非集中控制型系统,是指系统未设置应急照明控制器,由应急照明集中电源或应急照明配电箱分别控制其配接消防应急灯具工作状态的消防应急照明和疏散指示系统。
说明:应急照明配电箱,是指为自带电源型消防应急灯具供电的供配电装置;应急照明集中电源,是指由蓄电池储能,为集中电源型消防应急灯具供电的电源装置。

图片

图片二、疏散照明设置

1. 除建筑高度小于27m的住宅建筑外,民用建筑、厂房和丙类仓库的下列部位应设置疏散照明:

1)封闭楼梯间、防烟楼梯间及其前室、消防电梯间的前室或合用前室、避难走道、避难层(间)。

2)观众厅、展览厅、多功能厅和建筑面积大于200㎡的营业厅、餐厅、演播室等人员密集的场所。

3)建筑面积大于100㎡的地下或半地下公共活动场所。

4)公共建筑内的疏散走道。

5)人员密集的厂房内的生产场所及疏散走道。

2. 疏散照明灯具应设置在出口的顶部、墙面的上部或顶棚上;备用照明灯具应设置在墙面的上部或顶棚上。

三、灯光疏散指示标志设置

1. 公共建筑、建筑高度大于54m的住宅建筑、高层厂房(库房)和甲、乙、丙类单、多层厂房,应设置灯光疏散指示标志,并应符合下列规定:

1)应设置在安全出口和人员密集的场所的疏散门的正上方。

2)应设置在疏散走道及其转角处距地面高度1.0m以下的墙面或地面上。灯光疏散指示标志的间距不应大于20m;对于袋形走道,不应大于10m;在走道转角区,不应大于1.0m。

2. 下列建筑或场所应在疏散走道和主要疏散路径的地面上增设能保持视觉连续的灯光疏散指示标志或蓄光疏散指示标志:

1)总建筑面积大于8000㎡的展览建筑。

2)总建筑面积大于5000㎡的地上商店。

3)总建筑面积大于500㎡的地下或半地下商店。

4)歌舞娱乐放映游艺场所。

5)座位数超过1500个的电影院、剧场,座位数超过3000个的体育馆、会堂或礼堂。

6)车站、码头建筑和民用机场航站楼中建筑面积大于3000㎡的候车、候船厅和航站楼的公共区。

四、地面最低水平照度

1. 建筑内疏散照明的地面最低水平照度应符合下列规定:

1)对于疏散走道,不应低于1.0lx。

2)对于人员密集场所、避难层(间),不应低于3.0lx;对于老年人照料设施、病房楼或手术部的避难间,不应低于10.0lx。

3)对于楼梯间、前室或合用前室、避难走道,不应低于5.0lx;对于人员密集场所、老年人照料设施、病房楼或手术部内的楼梯间、前室或合用前室、避难走道,不应低于10.0lx。

2. 消防控制室、消防水泵房、自备发电机房、配电室、防排烟机房以及发生火灾时仍需正常工作的消防设备房应设置备用照明,其作业面的最低照度不应低于正常照明的照度。

3. 照明灯应采用多点,均匀布置方式,建、构筑物设置照明灯的部位或场所疏散路径地面水平最低照度应符合下表规定:

图片

五、时间要求

1. 建筑内消防应急照明和灯光疏散指示标志的备用电源的连续供电时间应符合下列规定:

1)建筑高度大于100m的民用建筑,不应小于1.5h。

2)医疗建筑、老年人照料设施、总建筑面积大于100000㎡的公共建筑和总建筑面积大于20000㎡的地下、半地下建筑,不应少于1.0h。

3)其他建筑,不应少于0.5h。

2. 火灾状态下,灯具光源应急点亮、熄灭的响应时间应符合下列规定:

1)高危险场所灯具光源应急点亮的响应时间不应大于0.25s。

2)其他场所灯具光源应急点亮的响应时间不应大于5s。

3)具有两种及以上疏散指示方案的场所,标志灯光源点亮、熄灭的响应时间不应大于5s。

3. 当确认火灾后,由发生火灾的报警区域开始,顺序启动全楼疏散通道的消防应急照明和疏散指示系统,系统全部投入应急状态的启动时间不应大于5s。

六、维护管理

1. 应按下表规定的检查项目、数量对系统部件的功能、系统的功能进行检查:

图片